一辆2008年产一汽马自达6轿车,搭载2.3 L发动机,匹配5速手/自一体变速器,行驶里程为2.4 万 km,用户反映该车在减速行驶过程中突然仪表板上的指示灯全部点亮,车辆熄火,重新起动发动机,一点反应也没有。随后将车拖至我站。

图1
接车后,经试车发现,该车无论将换挡杆置于N挡还是P挡,起动发动机均无反应。打开点火开关后,仪表板上的充电指示灯、机油压力警告灯及发动机故障警告灯均能够正常点亮,自动变速器挡位显示正确。笔者首先测量了蓄电池电压,蓄电池电压正常,检查蓄电池极柱接线也完全正常。会不会是起动机线路存在问题呢?经过检查,起动机的接线及熔丝(图1)均正常。根据上述检查结果,笔者判定可能的故障原因包括起动机损坏、起动机继电器及相关线束损坏及变速器挡位开关损坏。

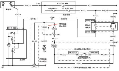
图2
笔者决定首先检查起动机继电器及相关线束。根据电路图(图2),笔者测量继电器线圈阻值98 Ω,测量结果正常;测量继电器工作电源,B/Y线电压为12 V,打开点火开关后,B/L线的电压为12 V,检测结果正常;测量继电器W/L线至PCM的4I脚之间的线束正常,打开点火开关后,测量该线电压为12 V,检查结果正常。通过以上检查,可以确定起动机继电器及其相关线路正常,挡位开关也正常。那么问题可能出在PCM控制部分或起动机上。随后笔者先检查了起动机。拔下起动机继电器,短接B/Y和R/Y端子,起动机运转正常,但并未起动成功(点火开关已打开)。通过检查,证明起动机正常,只是PCM没有控制起动机运转。通过测试起动机运转,但发动机没有着车的现象分析,PCM可能损坏。

图3
连接故障诊断仪对发动机控制系统进行检测,但设备显示故障诊断仪无法与PCM通信。由于故障诊断仪无法与PCM进行通信,说明PCM无工作电压或损坏。笔者决定先检查PCM的工作电源及搭铁是否正常。根据电路图可知,该车PCM有2个工作电源,即常电源和由点火开关控制的电源。经检查,点火开关控制的15A熔丝(图3)烧断。笔者利用万用表测量此熔丝对地电阻为0.5 Ω,说明熔丝后线路及部件有短路现象。为此,笔者决定进一步检查相关线路。

图4
查阅电路图得知,此熔丝同时为PCM及点火线圈提供电源。鉴于PCM损坏的几率较小,笔者目测检查未发现PCM相关线束有破损短路现象,故初步判定点火线圈(图4)或相关线路存在短路点。经目测,未发现点火线圈相关线束有破损现象。此车发动机采用的是独立点火系统,各缸各有1个独立的点火线圈。依次拔下点火线圈插头,用万用表测量15 A熔丝处,无短路现象,证明点火线圈存在故障。但究竟是哪个缸的点火线圈出现故障呢?如果面对点火线圈接线端子,针脚从左至右依次为A 、B和C。A脚连接PCM端子,B脚为搭铁端子,C脚为点火开关控制的电源端。经测量,发动机第2缸点火线圈的B-C间的电阻值为0,表明其已经损坏。
由于发动机第2缸点火线圈的B-C间电路短路,导致为点火线圈供电的15A熔丝烧毁。由于该熔丝又同时为PCM供电,当打开点火开关起动发动机时,因该熔丝熔断,导致PCM不能正常供电,造成其不能正常工作,使得PCM不能正常控制起动机运转。
在更换第2缸点火线圈并更换15 A熔丝后,试车发动机顺利起动,故障排除。
(杜首寨)

