上海大众帕萨特轿车故障3例

2010-06-25 20:34:59 故障案例 0 FavoriteLoading收藏

  案例1

  一辆2008年产帕萨特领驭2.8 V6自动挡轿车,行驶里程为2.34万 km,车主反映仪表板上安全气囊报警灯常亮,要求给予索赔维修。

  接车后连接VAS5052故障诊断仪查询安全气囊控制单元J234,发现有一个存储的故障信息00588,含义为驾驶员侧气囊点火器N95阻值太大,偶发。读15-08-001组1区的测量值为过高(正常值应为正确)。根据维修经验,出现00588故障码一般都是安全气囊螺旋电缆组件有接触不良之处,于是决定更换带转向角传感器G85的安全气囊螺旋电缆新组件。

  作业完成后,当点火开关处于ON时,安全气囊报警灯、ABS报警灯以及ESP报警灯同时点亮。使用故障诊断仪进入安全气囊控制单元,清除00588的故障码,气囊报警灯熄灭。进入ABS/ESP控制单元J104查询故障信息,发现有2个故障记忆,分别为00778——转向角传感器G85未进行基本设定/设定错误;以及01044——控制单元错误编码。

  根据奥迪、帕萨特ABS/ESP控制单元的特点,在更换转向角传感器G85或ABS/ESP控制单元J104后,ABS/ESP控制单元的编码数自动变为0,需要重新对ABS/ESP控制单元进行编码并对转向角传感器G85进行补偿标定。值得注意的是,此时不能直接对控制单元编码和对G85进行基本设定,必须执行登录功能成功后方可进行。

  将车辆置于水平直行位置,用VAS5052故障诊断仪执行操作的具体路径为:进入自诊断功能,点击ABS控制单元进入功能选项界面,此时观察屏幕右上方编码栏显示的编码数为0。选择10进入测量值选项,查看数据块005组1区G85的测量值,应在±5.0°范围内,若数值绝对值大于5.0°,微量转动转向盘使数字处于公差范围,然后退回功能选项界面。选择15进入访问许可选项,显示屏出现软键盘,键入9597登录码,按确认键Q,屏幕左上方提示成功执行该功能,退回功能选项界面。选择09进入编码选项,出现软键盘,输入ABS/ESP控制单元的编码数4297,按确认键Q,屏幕右上方编码栏显示4297(0),左上方提示正在执行编码。退回功能选项界面,编码栏显示控制单元的编码为4297,表明编码成功。

  再次选择15进入访问许可,显示屏出现软键盘,键入40168登录码,按确认键Q,屏幕提示成功执行该功能。退回功能选项界面,选择06进行基本设定,出现软键盘,输入通道号1,按确认键Q,屏幕出现基本设定的界面,点击基本设定激活按钮,屏幕显示设定成功。重新查询ABS/ESP控制单元的故障信息,00778和01044故障码已自动清除,退出自诊断,ABS与ESP灯熄灭,路试后故障不再出现,结束维修,将车交回客户。

  回顾总结:由于转向角传感器集成在安全气囊螺旋电缆组件上,排除安全气囊系统故障与对ABS/ESP控制单元的编码和对转向角传感器进行初始点标定的工作联系在一起,表明了现代轿车各电子控制系统之间的关系日趋紧密。若不熟悉上述相应的操作方法,维修就会中途搁浅。如编码后对G85补偿标定不成功,应再次检查测量值005组1区G85的数值应处于公差范围内。2009年上市的新帕萨特领驭1.8T轿车装备的BOSCH 8.0ABS系统也具有ESP功能,该控制单元的编码为273/263(自动/手动),更换转向角传感器G85后,ABS/ESP灯亮起,查询时只有00778的故障记忆,故无需执行编码程序,仅激活G85的补偿标定即可,方法如前述。

  案例2

  一辆2008年产帕萨特领驭1.8T自动导航尊贵版轿车,累计行驶里程1.6万 km,车主来站报修仪表板多功能显示屏上的收音机信息区无显示,多功能转向盘右侧按键不能控制调节音量,也不能选择曲目和电台,要求给以检修。

  图1

  基本检查验证车主所述属实,正常时打开收音机,仪表上方收音机信息区应有音量和曲目显示,而当前该区域却呈黑屏状态(图1),如同收音机未开启一样。使用收音机自身按键与旋钮,音量调节和选曲均表现正常,但使用转向盘按键则无法向上或向下选曲和音量调节。

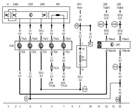
  图2

  根据帕萨特领驭轿车多功能转向盘电路图(图2)分析可知,其控制原理是多功能转向盘操作单元E221将转向盘右侧收音机控制按键E441(音量+、音量-、向上选曲和向下选曲)信号调制成数据,通过LIN总线传输给多功能转向盘控制单元J453(451号继电器,在继电器熔丝板上8和9号位),再通过舒适系统CAN数据总线传输到收音机和导航系统带操作单元的控制单元J503。J503接收数据后执行音量调节或选择曲目指令,并通过数据总线将执行结果传输给仪表控制单元J285,显示当前音量和曲目。

  

  分析转向盘右侧按键E441不能控制收音机音量调节与选曲,大致有以下因素:①转向盘右侧按键E441及多功能转向盘操作单元E221没有输出调制信号;②多功能转向盘控制单元J453故障,导致不能向收音机和导航系统带操作单元的控制单元J503传输数据;③舒适系统数据总线故障;④J503有故障,无法接收数据总线传输的数据。

  表1

  连接V.A.G1552故障诊断仪进入J503查询,无故障码存储。进入多功能转向盘控制单元(地址字16)访问,也无故障存储。查询数据块001组的测量值,分别按动E441的各个按键,屏幕显示各区测量值出现变化(表1),数据块16-08-001组的含义1区是转向盘右侧按键音量-的测量值,2区是音量+按键的测量值,3区是向下选曲/选台按键的测量值,4区是向上选曲/选台的测量值。由表1可知,多功能转向盘控制单元J453已识别到上述按键的信号,转向盘按键E441的因素被排除。检测16-08-125组测量值为:comb.(组合仪表)1 2-wire。进入仪表控制单元J285查询,内存有舒适系统失去通信和多功能转向盘无通信3个偶发故障码,清除故障记忆但观察现象依旧,再次查询无故障码出现。检测17-08-130组1区的测量值,显示舒适系统数据总线为2-wire运行;132组的测量值为St.wheel(多功能转向盘)1。由于J285中没有收音机及导航系统失去通信的故障记忆,说明舒适系统CAN数据总线通信正常,舒适系统数据总线出现故障的可能被排除。

  为验证J453是否能发送信号,开启巡航开关,仪表上巡航指示灯点亮,16-08-002组是转向盘左侧巡航控制按键的测量值,其含义1区是巡航系统加速开关信号,2区是巡航系统减速/SET设定开关信号,3区是巡航取消开关信号。分别按动这些按键,测量值均出现变化,说明多功能转向盘控制单元已识别到了这些信号。进入发动机控制单元J220查阅数据块01-08-066组4区的测量值(表2),当按动巡航系统各个开关时,对应的测量值均由0变成了1,说明J220可以接收到J453发出相应的调制信号,多功能转向盘控制单元J453出现故障的可能也可以排除。

  表2

  因担心仪表有问题也会使收音机信息无法显示,通过V.A.G1552故障诊断仪对仪表进行03终端执行功能操作,执行光段测试时,包含收音机信息区域在内的多功能显示屏以点阵形态发出红光,点阵内中央出现TEST 1/4的字样。按动诊断仪“→”键,显示屏点阵显示TEST 1/4到TEST 4/4共4次,然后出现TEST END(测试结束),每屏显示时点阵均无缺失,表明仪表多功能显示屏完全正常(图3),收音机信息不能显示的原因也不在J285上,至此故障锁定在J503及相应的线路上。

  图3

  拆开J503,脱开CAN数据总线所在的插接器,目测插针看不出有什么异常,但重新装回插接器后发现,仪表收音机信息显示也恢复了正常,转向盘按键可以调节音量和选曲、选台,这表明数据总线所在的插接器存在接触不良之处,导致J503不能接收和发送数据。

  案例3

  一辆2007年产帕萨特2.0手动挡轿车,搭载BFF发动机,行驶里程为3.96万 km。车主描述故障现象称:汽车在行驶过程中EPC灯点亮,发动机熄火后不能再次起动。经过多次尝试后,发动机勉强起动,立刻开来维修站检修。

  接车后进行基本检查情况如下:点火开关ON,仪表上各种报警灯自检过程中,除EPC灯不亮外其他均正常。起动时起动机运转正常,但发动机无起动征兆。连接VAS5052故障诊断仪进入发动机控制单元J220查询故障记忆,发现诊断仪显示系统不存在。进入网关J533查询,有一个故障存储:01314——发动机控制单元无通信。查阅数据块19-08-125组的测量值为:发动机0;126组为:安全气囊1。从J533的查询结果来看,发动机不能起动的原因系发动机控制单元与动力系统数据总线通信中断所致。

  等待一段时间,让发动机冷却后再次将点火开关置于ON,发现仪表上EPC灯在自检时亮起,此时发动机可起动,但EPC灯常亮。此时诊断仪可以进入J220查询故障记忆,屏幕显示识别到4个故障码,分别为:17795——内部控制单元存储器校验和错误,偶发;17751——负荷检测数值超过上限,偶发;17559——气缸列1 混合气匹配范围1系统过稀,偶发;以及16989——内部控制单元ROM测试错误,当前存在。

  查阅与故障码有关的测量值均无异常。将发动机熄火后重新打开点火开关观察,EPC灯又不亮了,发动机再次表现为不能起动的状态。EPC灯的亮灭控制是发动机控制单元通过动力系统CAN数据总线向仪表传输信息的结果,仪表自检时EPC灯不亮,说明发动机控制单元与动力系统CAN数据总线间的控制单元失去了通信。根据上述检查结果分析,车辆在静止状态下数据总线传输链路不可能时好时坏,由此可见发动机控制单元与动力系统CAN数据总线不能通信的确是内部问题造成的。

  更换新的发动机控制单元,点火开关ON时EPC灯点亮,用密码读取仪查得该车的防盗密码,连接VAS5052故障诊断仪执行发动机控制单元与防盗系统的自适应。具体的自适应操作路径是:选择自诊断功能进入发动机控制单元,查看车辆17位VIN识别码和14位防盗识别码都为X;进入功能选项,选择匹配012功能,出现软键盘,键入通道号50,屏幕出现“PIN?”,并出现软键盘。输入原车4位密码,按确认键Q,点击保存,返回进入发动机控制单元的初始界面,原车的17位VIN识别码和14位防盗识别码被复制,然后完成发动机控制单元J220与节气门控制单元J338的匹配。至此,发动机不能起动的故障排除。

(陈中泽)

您可能感兴趣的文章

网友评论

    发表评论

    *

    *