故障现象:一辆2008年产一汽-大众迈腾2.0TSI轿车,行驶里程4.2万 km。据用户反映,该车仪表上的灯光故障警告灯有时点亮(图1)。

图1
检查分析:首先验证故障现象。正如用户所述,发动机起动后约3 min,仪表上的灯光故障警告灯闪烁几次后就会常亮不熄,此时检查前照灯灯光一切正常,没有影响到前照灯功能。约起动3次发动机,此故障现象就会出现1次。
使用故障诊断仪VAS5052A进行检测,系统内存储多个与左前照灯有关的故障码,分别是02233(左前照灯电源模块J667无信号/通信)、01042(控制单元未编码)、02656(左前照灯电源模块J667未编码)、以及01539(前照灯未调节,基本设定/匹配没有或不正确),这些故障码无法清除。进一步检测发现左前照灯电源模块的编码的确不正确,正确的编码应该是35。进行编码后,故障信息变为偶发,可以清除。

图2
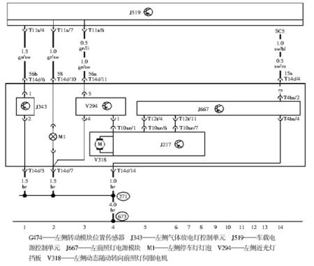
难道只是左前照灯电源模块J667编码错误导致的故障吗?从存储的这些故障码来看,维修人员有些怀疑。为了确定故障确实已经排除,维修人员又对相关电路进行了基本检查。参考左前照灯控制电路图(图2),通过加载检测左前照灯供电线路,SC5熔丝加载负载为正常的12 V电源,左前照灯T14d/5、T14d/7以及T14d/14接地线正常且无虚接的现象。打开前照灯开关,测量车载电源控制单元J519的输出脚T11a/4、T11a/6以及T11a/7为12 V正常电源电压,分别驱动左侧气体放电灯控制单元J343、左侧近光灯挡板V294以及左侧停车灯灯泡M1。经过反复检查,前照灯系统(地址码55)中再没有故障码出现,测试左前照灯电源模块的CAN-H波形正常(图3)。

图3
反复起动发动机多次并开启前照灯开关,终于发现左前照灯电源模块输出CAN-H和CAN-L的波形存在异常(图4),系统内再次出现之前的故障信息,由此可以断定是左前照灯电源模块J667存在偶发性数据传输故障,此偶发性故障促使仪表上的灯光故障警告灯点亮。

图4
故障排除:更换包括左前照灯电源模块J667在内的左前照灯总成,跟踪回访确认故障未再出现。
(马骥)

