案例1
故障现象:一辆2007年产上海大众POLO劲取1.4 L自动挡轿车,行驶里程3.2万 km,用户反映ABS报警灯常亮。用户描述故障发生的情形是:3个月前行驶里程为2.5万 km时,ABS灯曾点亮过,更换了右前轮轮速传感器后,ABS灯熄灭。如此正常行驶了一段时间,近来ABS灯又亮了。用户要求彻底解决问题。
检查分析:新POLO轿车配备Bosch 8.0版本的ABS系统。笔者连接VAS5052故障诊断仪,进入ABS控制单元J104查询故障存储,发现一个故障码:00285 035 ——右前轮轮速传感器G45信号不可靠。记录故障码后,清除故障记忆,ABS报警灯熄灭。接上VAS5052进行路试,读出测量值001组中四个车轮的轮速。开始时,四个车轮的轮速一致上升,但在35 km/h时,右前轮轮速突然由35 km/h下降到25 km/h,ABS灯随即亮起。故障码为右前轮轮速传感器G45信号不可靠。
右前轮轮速传感器刚换过不久,难道是G45的线束有问题?拔下J104的插接器,测量G45插接器的两个端子与J104插接器线束侧相应端子T38/6、T38/18的导线,导通正常。怀疑ABS控制单元接口电路中对应右前轮轮速传感器G45的内部线路焊点虚焊(有过类似的情况),导致右前轮轮速信号不良。因该车尚在保修索赔期内,于是换了一个新的ABS控制单元。对控制单元写入编码199,并完成制动管路的放气作业,起动发动机,ABS灯熄灭。路试行驶不到100 m,车速在35 km/h时,ABS灯再度点亮,故障码仍为G45信号不可靠。行驶中观察测量值001组2区右前轮轮速信号,在35 km/h时还是突然下滑到25 km/h,由此可见是G45的信号不正常,与其他部分无关。
车轮轮速传感器为了能向ABS控制单元输出正常的轮速信号,要可靠地感应车轮磁环附近的磁场变化。假如磁场不稳定,轮速传感器就不能正常工作,所以应该检查轮速传感器与磁环的间隙。POLO轿车前轮磁环集成在前轮轴承内,拆下右前转向节,发现前轮轴承已由正常位置向外位移了约2 mm的距离(图1)。由于右前轮轮速传感器G45与磁环的间隙过大,传感器输出信号失真,ABS控制单元处理该信号后得到错误的数据,所以点亮了ABS报警灯。

图1
故障排除:按维修规范更换右前轮轴承。起动发动机,ABS灯熄灭。路试中观察测量值001组中四个车轮的轮速,在不同车速下均呈同步变化。至此ABS灯常亮故障彻底排除。
回顾总结:在排除传感器信号不良这一类故障时,习惯思维往往只注重对传感器本身的检查,而忽视了传感对象的存在。本案例正是因为这个原因走了一段弯路,这个教训值得深思和吸取。
案例2
故障现象:一辆2003年产POLO 1.4 L自动挡轿车,搭载BCC发动机和001四速自动变速器,行驶里程 14.6 万 km。用户反映该车怠速抖动,EPC灯点亮,发动机转速在900~1 100 r/min起伏变化,踩下加速踏板,发动机转速不能立刻升高。

表1
检查分析:维修人员确认了故障。连接V.A.G1552故障诊断仪查询发动机控制单元J220,故障存储器内有两个故障码:17961 P1553 035 ——进气歧管压力传感器G71与海拔高度传感器F96之比不可靠;17912 P1504 035——进气歧管漏气。故障码17912大多情况下是进气歧管绝对压力值大于48.0 kPa所致。进入08组测量值功能选项,查阅与故障码相关的数据组(表1)。数据中氧传感器信号一直处于低电压不变,可见当前混合气呈过稀状态,说明进气系统存在漏气点。正在检查过程中,发动机突然发出了类似胶带打滑的“吱吱”声,辨认声源的方位,好像在发动机的右侧,这个位置装有带油气分离器的曲轴箱通风阀,联想到进气岐管存在漏气的疑点,认定是曲轴箱通风阀膜片损坏引起的啸叫声(图2)。断开并堵住曲轴箱通风阀连接进气歧管的通风软管,啸叫声随之消失,仪表上EPC灯熄灭,发动机运转恢复平稳。由此确认是曲轴箱通风阀漏气导致混合气过稀。故障形成链条可用以下文字描述:过稀混合气燃烧速度缓慢→发动机转速下降,运转不稳抖动→进气歧管绝对压力升高→喷油脉宽增大→混合气品质有所改善→发动机转速上升→节气门电机调节力图达到怠速目标值→节气门角度在5~7°反复变化→发动机怠速波动→EPC灯点亮→加速困难。

图2
故障排除:更换曲轴箱通风阀的油气分离器,清除故障记忆,故障排除。读出发动机怠速运行时与维修前可对比的主要测量值(表2),均符合规范值,至此结束维修交车。

表2
案例3
故障现象:一辆2006年产POLO劲情1.4 L自动挡两厢轿车,行驶里程3.2万 km,用户反映行李舱门不易开启,后风窗雨刮电机不工作。
检查分析:维修人员检查发现行李舱门确实不好开启,碰巧可以开启时,高位制动灯随之点亮。如高位制动灯不亮,则行李舱门无法开启。操作后风窗雨刮器开关E34,雨刮电机不动作。拉起雨刮杆,解除负荷,电机缓慢转动,说明电机工作无力。根据检查结果分析,疑点锁定在行李舱开启电机V53、雨刮电机V12及高位制动灯M25的公共搭铁点上。查阅电路图得知,该公共搭铁点位于行李舱门左侧C柱的53号搭铁点。拆开行李舱内饰,发现53号搭铁点固定螺母未拧紧,搭铁线虚接(图3)。估计这是因该车后部出过事故,修复过程中疏忽造成的。

图3
故障排除:清理并打磨53号搭铁点,紧固螺母,故障排除。

图4
故障机理分析:故障发生时出现的反常现象是怎样产生的呢?由(图4)可知,正常状态下,拉动行李舱盖把手,开关E234闭合,车载网络控制单元J519识别出低电平信号。J519的T6O/5端子输出12 V电压→V53→节点98→节点287→白色搭铁线→53号搭铁点,行李舱开启电机动作,打开行李舱门。故障状态下,由于53号搭铁点螺母未拧紧,白色、棕色搭铁线呈虚接状态。棕色搭铁线比白色搭铁线更接近车身,在棕色搭铁线搭铁,白色搭铁线断开时,电流路径为J519→V53→节点98→节点287→高位制动灯M25→制动灯M9、M10→棕色搭铁线→53号搭铁点。高位制动灯M25由发光二极管组成,发光二极管为电压型元件,要求的工作电流很小,所以在开启行李舱门时会点亮。后雨刮电机V12工作时的电流路径为SB1→V12→节点98→节点287→高位制动灯M25→制动灯M9、M10→棕色搭铁线→53号搭铁点。由于经过了高阻的高位制动灯,雨刮电机的工作电流很小,故而转动无力。
案例4
故障现象:一辆2006年产POLO劲取1.6 L自动挡轿车,行驶里程2.4万 km,用户反映除驾驶员侧车门外,其余车门电动车窗不能控制。

图5
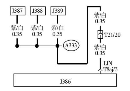
检查分析:维修人员做基本检查后发现,前排乘客侧车门、左后车门和右后车门电动车窗均不能由驾驶员侧车门电动车窗控制开关控制升降。按动各车门自身控制开关也无效。连接VAS5052故障诊断仪,查询舒适系统控制单元J393,未存故障码。POLO劲情和劲取轿车的电动车窗控制方式与老款POLO有所不同,电动车窗开关状态信息用传输速率为20 kb/s的LIN总线传输,驾驶员侧车门控制单元J386为LIN总线的主控单元(图5),其余3个车门控制单元为从控单元。其控制原理如下(以前排乘客侧车门电动窗为例):点火开关ON时LIN总线激活,驾驶员侧车门上的电动窗开关E81信号输入控制单元J386,J386识别后将信号经LIN总线传输到前排乘客侧车门控制单元J387,J387根据接收到的车窗升降指令控制前排乘客侧电动窗电机V148动作。操作前排乘客侧电动窗控制开关E107时,J387作为从控单元识别到E107开关信号的输入,直接控制V148动作。

图6
因为每个车门控制单元都有各自的熔丝保护,3个车门控制单元同时断电的可能性很小,所以故障原因中可以排除供电故障。根据故障现象分析,与4个车门控制单元都有关的LIN总线存在问题的可能性最大。遵循这一思路,决定先检查前排乘客侧车门控制单元J387与驾驶员侧车门控制单元J386之间的LIN总线线路。用万用表测量J387线束侧插接器T8ak/3端子与J386线束侧插接器T8aj/3端子电阻,显示无穷大,表明J386与J387之间的LIN总线处于断开状态。由(图6)可知,J386的LIN总线经左A柱插接器的T21/20端子分别与J387、J388和J389连接,脱开该插接器观察,LIN总线所在的T21/20端子被腐蚀,折断的插针残留在对应的插孔内(图7)。由于车门部分的LIN总线失效,而作为从控单元的其余3个车门的控制单元又不能单独地工作,所以出现了上述故障现象。

图7
故障排除:使用大众VAS1978线束修理箱更换左A柱T21/20端子的导线,装复插接器,试验所有车门的电动车窗,全部恢复正常。
(陈中泽)

