一辆2003年产上海大众POLO 1.4 L轿车,搭载BCC型发动机,匹配5挡手动变速器,用户报修车辆加速时犯闯,严重时会熄火。
接车后经试车发现,加速时的确车辆犯闯,加速踏板踩到底后车辆有时会熄火。连接故障诊断仪VAS5051B对发动机控制系统进行检测,设备显示发动机控制单元内存储有10个故障码(表1)。

表1
在对上述故障码进行记录后,尝试对故障码执行清除操作,发现故障码可以被清除。但试车时只要出现发动机熄火的现象,发动机控制单元又会存储上述故障码。
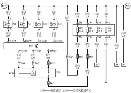
根据故障码的提示,笔者初步判定是喷油器、点火线圈的供电线或接地线出现问题。根据该车发动机相关电路图(图1)可知,喷油器、氧传感器的供电熔丝分别是SB25、SB9,熔丝的供电是来自于燃油泵继电器J17,接地线则位于气门室盖和发动机的左前纵梁上。于是笔者按照电路图检查熔丝SB9、SB25,在确认没有问题后,决定检查燃油泵继电器J17。拔下继电器检查,发现其针脚上有很多水垢,怀疑问题就出在这里,于是替换了新的燃油泵继电器。装复后试车发现故障症状没有任何改观,于是笔者决定检查发动机控制系统相关线路。经连接专用的电器测量盒V.A.G1598/31(图2)进行具体测量,发现在静态情况下线路间的电阻小于0.4Ω(包括地线),点火线圈、喷油器及氧传感器的供电和接地也均正常。

图1

图2
将故障诊断仪VAS5051B连接到车辆上,一边读取数据流一边试车,车辆依旧是在几次急加速后熄火。但是在试车过程中发现,车辆熄火后,车辆的水温表和转速表都会归零,但燃油表没有归零。正常情况下,当车辆熄火后,由于点火开关还在接通位置且没有摘挡,发动机将被车轮反拖重新起动,因此这2块表的指针是不会归零的,唯一合理的解释是发动机控制单元与仪表控制单元之间的通信中断了。为了验证笔者的判断,笔者利用故障诊断仪VAS5051B对网关进行检测,结果在网关的故障存储器中果然查到了故障含义为发动机控制单元无通信的故障码。经过几次试车发现,只要车辆熄火,网关都会存储发动机控制单元无通讯的故障码。若在熄火后马上读取网关的数据,发动机控制单元的确和数据总线没有通信,但只要开关1次点火开关,就会恢复正常。
一般来说,出现发动机控制单元无通信的情况有下列几种可能:发动机控制单元与仪表控制单元间的数据线出现了问题,发动机控制单元突然断电,以及发动机控制单元损坏。结合到该车的具体情况,可以先排除第1种可能的故障原因。因为只要合法起动后,即使发动机控制单元和仪表控制单元没有了通信,车辆也不会熄火。为了判断是否是第2种可能原因导致车辆熄火,笔者连接电器测量盒V.A.G1598/31到车辆上,然后把针脚盒引入到车内,用万用表量取发动机控制单元的30号供电线(红/黑),观察车辆熄火时,发动机控制单元的供电是否中断。试车中发现,只要车辆接上V.A.G1598/31后,车辆就不熄火了。
根据这个新的发现,可以排除发动机控制单元损坏的可能性。再进一步进行分析,测量盒V.A.G1598/31的外围包裹着厚厚的屏蔽层,其目的就是防止在测量时受到电磁干扰,而此时发动机恢复正常,难道导致该车熄火的原因是电磁干扰?于是笔者决定先检查该车是否加装其他电子设备(如氙气前照灯、MP3等),但经检查未发现任何后加装的装置。如果没有额外加装的电子装置,那么干扰源就很可能出在火花塞、点火线圈、电子扇及发电机等部分了。按照由简至繁的原则,鉴于火花塞拆装比较方便,于是笔者决定先拆检火花塞。在将火花塞拆下后,经仔细观察,该车使用的不是原车火花塞(图3)。难道真是火花塞的问题?于是笔者找来4支旧火花塞将原车火花塞替换掉,之后试车发现,部分负荷或急加速的工况下发动机都不会熄火了。看来问题就出在火花塞上,经确认火花塞无电阻,造成干扰。

图3
最后,在更换新的火花塞后,试车故障排除。
总结:通过对该车故障的维修,使笔者深刻意识到,在对一些疑难故障进行诊断时,有几点必须注意。首先,要仔细观察故障现象,不能漏过细小的地方,如该车熄火时仪表的反应,这对后来维修方向的确立起了很重要的作用;其次,要对相应的设备、工具有一定的了解,如线路测量盒V.A.G1598/31的外部作了屏蔽,因此有很强的抗干扰能力,这对维修判断也起了不小的帮助;第三,维修思路要开阔,不能仅局限于维修的这部分,要充分考虑其他因素,如该车的故障如果一直检查发动机控制系统,维修时间可能会很久。总之,对于现代汽车的维修,我们必须不断加强理论知识的学习,同时要将理论与实践充分结合,并注重经验的积累,从而全面提高技术水平。
(韩琨)

